Overslaan naar inhoud
Home
Shop
Blog
Cursussen
Vacatures
0
0
+32468078265
Nederlands
Nederlands
Français
Aanmelden
0
0
Home
Shop
Blog
Cursussen
Vacatures
+32468078265
Nederlands
Nederlands
Français
Aanmelden
Alle producten
Technische Ruimte
Water
Recyclagesystemen
Nais
Stuurkop
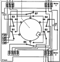
Nais aquastar 3" printplaat met microschakelaars
Stuurkop
Prijslijst:
Public user = 0 € (prijs niet zichtbaar)
Prijslijst
Public user = 0 € (prijs niet zichtbaar)
Prijslijst:
Public user = 0 € (prijs niet zichtbaar)
Prijslijst
Public user = 0 € (prijs niet zichtbaar)
Nais aquastar 3" printplaat met microschakelaars
431687
0,00
€
0,00
€
311,03
€
Aan winkelmandje toevoegen
Toevoegen aan verlanglijst
Algemene voorwaarden
Geld-terug-garantie van 30 dagen
Verzending: 2-3 werkdagen
Ons contacteren